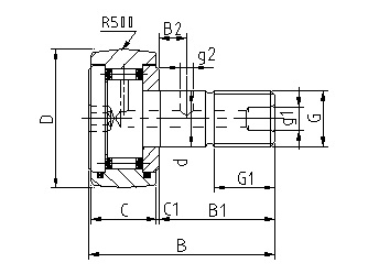
| 型号 | 外形尺寸(mm) | 基本额定负荷(N) | |||||||||||||||||
| D | d | C | B | B1 | B2 | G | G1 | g1 | g2 | C1 | d2 | d1 | B3 | e | C | Co | Cw | Cow | |
| KRV(E) 16 (PP) | 16 | 6 | 11 | 28 | 16 | -- | M6 | 8 | 4 | -- | 0.6 | 12 | 9 | 7 | 0.5 | 6400 | 8500 | 4850 | 6500 |
|---|---|---|---|---|---|---|---|---|---|---|---|---|---|---|---|---|---|---|---|
| KRV(E) 19 (PP) | 19 | 8 | 11 | 32 | 20 | -- | M8 | 10 | 4 | -- | 0.6 | 14 | 11 | 9 | 0.5 | 7300 | 10800 | 5500 | 7900 |
| KRV(E) 22 (PP) | 22 | 10 | 12 | 36 | 23 | -- | M10X1 | 12 | 4 | -- | 0.6 | 17 | 13 | 10 | 0.5 | 8600 | 12900 | 6300 | 9100 |
| KRV(E) 26 (PP) | 26 | 10 | 12 | 36 | 23 | -- | M10X1 | 12 | 4 | -- | 0.6 | 17 | 13 | 10 | 0.5 | 8600 | 12900 | 7300 | 11300 |
| KRV(E) 30 (PP) | 30 | 12 | 14 | 40 | 25 | 6 | M12X1.5 | 13 | 6 | 3 | 0.6 | 23 | 15 | 11 | 0.5 | 12200 | 19000 | 9500 | 14600 |
| KRV(E) 32 (PP) | 30 | 12 | 14 | 40 | 25 | 6 | M12X1.5 | 13 | 6 | 3 | 0.6 | 23 | 15 | 11 | 0.5 | 12200 | 19000 | 10000 | 15800 |
| KRV(E) 35 (PP) | 35 | 16 | 18 | 52 | 32.5 | 8 | M16X1.5 | 17 | 6 | 3 | 0.8 | 27 | 20 | 14 | 1 | 18300 | 35000 | 12800 | 23000 |
| KRV(E) 40 (PP) | 40 | 18 | 20 | 58 | 36.5 | 8 | M18X1.5 | 19 | 6 | 3 | 0.8 | 32 | 22 | 16 | 1 | 21000 | 39500 | 14800 | 26500 |
| KRV(E) 47 (PP) | 47 | 20 | 24 | 66 | 40.5 | 9 | M20X1.5 | 21 | 8 | 4 | 0.8 | 37 | 24 | 18 | 1 | 28000 | 59000 | 20600 | 42000 |
| KRV(E) 52 (PP) | 52 | 20 | 24 | 66 | 40.5 | 9 | M20X1.5 | 21 | 8 | 4 | 0.8 | 37 | 24 | 18 | 1 | 28000 | 59000 | 22500 | 48000 |
| KRV(E) 62 (PP) | 62 | 24 | 29 | 80 | 49.5 | 11 | M24X1.5 | 25 | 8 | 4 | 0.8 | 44 | 28 | 22 | 1 | 41500 | 91000 | 34000 | 76000 |
| KRV(E) 72 (PP) | 72 | 24 | 29 | 80 | 49.5 | 11 | M24X1.5 | 25 | 8 | 4 | 0.8 | 44 | 28 | 22 | 1 | 41500 | 91000 | 37000 | 85000 |
| KRV(E) 80 (PP) | 80 | 30 | 35 | 100 | 63 | 15 | M30X1.5 | 32 | 8 | 4 | 1 | 53 | 35 | 29 | 1.5 | 60000 | 142000 | 49500 | 120000 |
| KRV(E) 90 (PP) | 90 | 30 | 35 | 100 | 63 | 15 | M30X1.5 | 32 | 8 | 4 | 1 | 53 | 35 | 29 | 1.5 | 60000 | 14200 | 53000 | 130000 |
沪ICP备11034551号-1Copyright © 2011 上海沃伦轴承有限公司 All rights reserved.