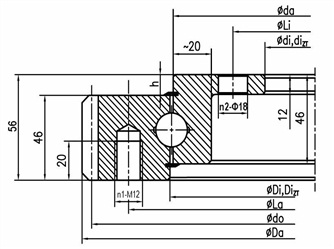
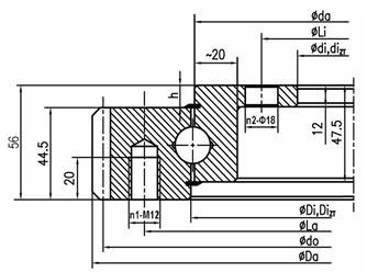
| 型号 | 外形尺寸(mm) | 安装孔尺寸(mm) | 结构尺寸(mm) | 齿参数 (mm) | 额定负荷(KN) | 重量(Kg) | ||||||||||
| Da | di | diZT | La | Li | n1 | n2 | Di | DiZT | da | m | do | z | x | |||
| SLOR20/544① | 640.3 | 434+0.5 | 436 | 585 | 462 | 14 | 14 | 545.5+0.5 | 547 | 542.5-0.5 | 6 | 630 | 105 | 0 | 670 | 41.5 |
|---|---|---|---|---|---|---|---|---|---|---|---|---|---|---|---|---|
| SLOR20/644① | 742.3 | 534+0.6 | 536 | 685 | 562 | 16 | 16 | 645.5+0.6 | 647 | 642.5-0.6 | 6 | 732 | 122 | 0 | 810 | 48.5 |
| SLOR20/744① | 838.1 | 634+0.6 | 636 | 785 | 662 | 18 | 16 | 745.5+0.6 | 747 | 742.5-0.6 | 6 | 828 | 138 | 0 | 910 | 54.5 |
| SLOR20/844① | 950.1 | 734+0.6 | 736 | 885 | 762 | 18 | 18 | 845.5+0.6 | 847 | 842.5-0.6 | 8 | 936 | 117 | 0 | 1050 | 65.5 |
| SLOR20/944① | 1046.1 | 834+0.7 | 836 | 985 | 862 | 20 | 20 | 945.5+0.7 | 947 | 942.5-0.7 | 8 | 1032 | 129 | 0 | 1500 | 71.5 |
| SLOR20/1094① | 1198.1 | 984+0.7 | 986 | 1135 | 1012 | 22 | 20 | 1095.5+0.7 | 1097 | 1092.5-0.7 | 8 | 1184 | 148 | 0 | 1760 | 83.5 |
| SLOR20/414② | 504 | 304 | - | 455 | 332 | 10 | 12 | 415.5 | - | 412.5 | 5 | 485 | 99 | 0 | 510 | 33 |
| SLOR20/544Y② | 640.8 | 434 | - | 585 | 462 | 14 | 14 | 545.5 | - | 542.5 | 6 | 630 | 105 | 0 | 670 | 46 |
| SLOR20/644Y② | 742.8 | 534 | - | 685 | 562 | 16 | 16 | 645.5 | - | 642.5 | 6 | 732 | 122 | 0 | 810 | 55 |
| SLOR20/744Y② | 838.8 | 634 | - | 785 | 662 | 18 | 16 | 745.5 | - | 742.5 | 6 | 828 | 138 | 0 | 910 | 59 |
| SLOR20/844Y② | 950.4 | 734 | - | 885 | 762 | 18 | 18 | 845.5 | - | 842.5 | 8 | 936 | 117 | 0 | 1050 | 72 |
| SLOR20/944Y② | 1046.4 | 834 | - | 985 | 862 | 20 | 20 | 945.5 | - | 942.5 | 8 | 1032 | 129 | 0 | 1500 | 72 |
| SLOR20/1094Y② | 1198.4 | 984 | - | 1135 | 1012 | 22 | 20 | 1095.5 | - | 1092.5 | 8 | 1184 | 148 | 0 | 1760 | 99 |
沪ICP备11034551号-1Copyright © 2011 上海沃伦轴承有限公司 All rights reserved.