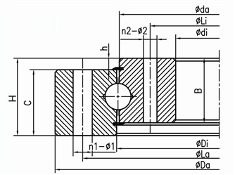
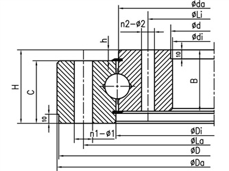
| 型号 | 外形尺寸(mm) | 安装孔尺寸(mm) | 结构尺寸(mm) | 额定负荷(KN) | 重量(Kg) | |||||||||||||
| Da | di | H | La | Li | n1 | n2 | Φ1 | Φ2 | D | d | C | B | h | Di | da | |||
| SR15/120 | 170 | 70 | 40 | 148 | 90 | 6 | 6 | 9 | M8 | - | - | 35 | 35 | 5 | 121.5 | 118.5 | 125 | 4.37 |
|---|---|---|---|---|---|---|---|---|---|---|---|---|---|---|---|---|---|---|
| SR10/179 | 234 | 124.5 | 35 | 214 | 144.5 | 24 | 20 | 11 | 11 | - | - | 30 | 30 | 5 | 180.5 | 177.5 | 190 | 5.8 |
| SR10/179Y | 234 | 124.5 | 25 | 214 | 144.5 | 24 | 20 | 11 | 11 | - | - | 25 | 25 | 0 | 180 | 178 | 165 | 5.4 |
| SR10/250 | 300 | 200 | 35 | 280 | 220 | 16 | 16 | M10 | M10 | - | - | 30 | 30 | 5 | 251 | 249 | 230 | 7.1 |
| SR20/222 | 312 | 145.1 | 50 | 270 | 175 | 14 | 16 | M15.88 | M15.88 | - | - | 44 | 44 | 6 | 220.86 | 224.15 | 425 | 18.55 |
| SR20/260 | 326 | 191 | 46 | 305 | 215 | 20 | 20 | 14 | 14 | - | - | 41 | 41 | 5 | 261 | 259 | 375 | 15.1 |
| SR20/260Y | 329 | 190 | 45 | 305 | 215 | 16 | 16 | 14 | 14 | 328 | 192 | 44 | 44 | 1 | 261.5 | 258.5 | 490 | 15.8 |
| SR15/340 | 402 | 278 | 44 | 383 | 298 | 12 | 12 | 9 | M8 | - | - | 38 | 38 | 6 | 342 | 338 | 440 | 17.3 |
| SR20/308 | 403.5 | 235 | 55 | 358 | 259 | 14 | 12 | 13 | 13 | 380 | - | 47 | 45 | 8 | 310.5 | 306.5 | 600 | 26.6 |
| SR20/380 | 485 | 275 | 55 | 453 | 307 | 8 | 8 | 18 | 18 | - | - | 50 | 50 | 5 | 382 | 378 | 640 | 45 |
| SR20/405 | 474 | 336 | 46 | 450 | 360 | 30 | 30 | 14 | 14 | - | - | 41 | 41 | 5 | 407 | 403 | 575 | 23 |
| SR20/414 | 486 | 344 | 50 | 460 | 368 | 8 | 8 | M12 | 13 | 484 | 346 | 44.5 | 44.5 | 5.5 | 415.5 | 412.5 | 700 | 29.6 |
| SR20/414Y | 486 | 342 | 56 | 460 | 368 | 24 | 24 | 14 | 14 | - | - | 44.5 | 44.5 | 11.5 | 415.5 | 412.5 | 700 | 29.4 |
| SR25/412 | 501 | 324 | 55 | 469 | 356 | 18 | 18 | 18 | 18 | - | - | 50 | 50 | 5 | 414 | 410 | 800 | 40 |
| SR25/433 | 522 | 344 | 55 | 490 | 376 | 20 | 20 | M16 | 18 | - | - | 50 | 50 | 5 | 434 | 432 | 980 | 40.5 |
| SR10/444 | 500 | 389 | 35 | 480 | 409 | 16 | 16 | 13 | 13 | - | - | 30 | 30 | 5 | 446 | 443 | 450 | 16.6 |
| SR30/462 | 568 | 356 | 64 | 524 | 396 | 18 | 18 | 22 | 22 | - | - | 59 | 59 | 5 | 464 | 460 | 1100 | 63 |
| SR30/574 | 680 | 468 | 68 | 640 | 508 | 20 | 20 | 22 | 22 | - | - | 61 | 61 | 7 | 576 | 572 | 1350 | 82.3 |
| SR20/582 | 675 | 490 | 62 | 640 | 525 | 8 | 8 | 22 | 22 | - | - | 52 | 52 | 10 | 584 | 580 | 1050 | 63.8 |
| SR30/630 | 732 | 528 | 80 | 696 | 564 | 12 | 12 | 18 | 18 | - | - | 70 | 70 | 10 | 632 | 628 | 1550 | 106 |
| SR35/680 | 795 | 565 | 79 | 755 | 605 | 30 | 30 | 22 | 22 | - | - | 72 | 72 | 7 | 682 | 678 | 2050 | 115 |
| SR35/823 | 933 | 713 | 79 | 893 | 753 | 36 | 36 | 22 | 22 | - | - | 72 | 72 | 7 | 825 | 821 | 2450 | 140 |
| SR35/980 | 1090 | 870 | 79 | 1050 | 910 | 44 | 44 | 22 | 22 | - | - | 72 | 72 | 7 | 982 | 978 | 2800 | 165 |
| SR25/1072 | 1200 | 976 | 65 | 1170 | 1012 | 44 | 44 | 13 | M12 | - | - | 55 | 55 | 10 | 1074 | 1070 | 2100 | 150 |
| SR40/1105 | 1266 | 944 | 118 | 1200 | 1010 | 42 | 42 | 33 | 33 | - | - | 100 | 100 | 18 | 1107 | 1103 | 3650 | 363 |
| SR45/1106 | 1261 | 950 | 158 | 1201 | 1010 | 30 | 40 | M27 | 30 | - | - | 123 | 137 | 35 | 1108 | 1103 | 4380 | 504 |
| SR40/1117 | 1238 | 995 | 101 | 1198 | 1035 | 40 | 40 | M20 | M20 | - | - | 91 | 91 | 10 | 1119 | 1115 | 3600 | 270 |
| SR25/1122 | 1252 | 950 | 150 | 1200 | 1010 | 30 | 30 | M24 | M24 | - | - | 78 | 132 | 72 | 1124 | 1120 | 2550 | 379 |
| SR40/1213 | 1330 | 1095 | 92 | 1290 | 1135 | 56 | 56 | 22 | 22 | - | - | 82 | 82 | 10 | 1215 | 1211 | 3700 | 255 |
| SR20/1220 | 1290 | 1150 | 56 | 1266 | 1176 | 40 | 40 | 14 | 14 | - | - | 46 | 46 | 10 | 1222 | 1218 | 2650 | 81.1 |
| SR35/1350 | 1462 | 1238 | 85 | 1422 | 1278 | 56 | 56 | 22 | 22 | - | - | 75 | 75 | 10 | 1352 | 1348 | 4000 | 235 |
| SR50/1472 | 1600 | 1340 | 110 | 1560 | 1384 | 52 | 52 | 22 | 22 | - | - | 100 | 100 | 10 | 1474 | 1470 | 6000 | 420 |
| SR45/1578 | 1725 | 1431 | 101 | 1671 | 1485 | 40 | 40 | 30 | 30 | - | - | 91 | 91 | 10 | 1580 | 1576 | 5600 | 460 |
| SR45/1600 | 1740 | 1460 | 110 | 1687 | 1513 | 45 | 45 | 26 | 26 | - | - | 100 | 100 | 10 | 1602 | 1598 | 5800 | 523 |
| SR25/1932 | 2032 | 1832 | 65 | 1992 | 1872 | 52 | 52 | 22 | 22 | - | - | 55 | 55 | 10 | 1934 | 1930 | 5200 | 235 |
| SR40/2000 | 2116 | 1884 | 100 | 2076 | 1924 | 92 | 92 | 22 | 22 | - | - | 86 | 86 | 14 | 2002 | 1998 | 6600 | 430 |
| SR70/2160 | 2385 | 1855 | 175 | 2305 | 1985 | 30 | 48 | 39 | 36 | - | - | 165 | 165 | 10 | 2165 | 2155 | 13500 | 2000 |
| SR25/2300 | 2400 | 2200 | 73 | 2360 | 2240 | 60 | 60 | 22 | 22 | - | - | 59 | 59 | 14 | 2302 | 2298 | 6100 | 300 |
| SR30/2900 | 3005 | 2795 | 82 | 2965 | 2835 | 100 | 100 | 22 | 22 | - | - | 68 | 68 | 14 | 2902 | 2898 | 9600 | 460 |
沪ICP备11034551号-1Copyright © 2011 上海沃伦轴承有限公司 All rights reserved.